Copenhagen, Denmak. – September 29, 2025 –, Aloe Semiconductor, with support from MACOM, is showing a pure silicon photonics modulator running at 180-Gbaud PAM4 — the fastest symbol rate reported so far on silicon. It’s a big step toward 425 Gb/s on silicon and worth a look if you’re tracking speed records and what’s possible with photonics. Visit Aloe at the MACOM booth C3419.
Aloe Semiconductor will show the results of a novel silicon photonics modulator running at 180-Gbaud PAM4 (360 Gb/s) at the European Conference for Optical Communication (ECOC) Exhibition in Copenhagen, Denmark the week of September 29, 2025. This result showcases the highest reported PAM4 symbol rate from a silicon photonics modulator to date, proving the strong likelihood of reaching 425 Gb/s without having to introduce new materials and processes into the foundries. The result does not require offline processing.
“This modulator showcases the tenacity of silicon photonics,” said Aloe’s CEO Christopher Doerr. “With innovative design, silicon can reach higher and higher speeds while utilizing existing fabrication, allowing industry to continue to take advantage of the scaling and assembly abilities of silicon.”
The demonstrated modulator design is novel but does not have special process or material requirements. It is made in a standard silicon photonics foundry without non-CMOS materials such as LiNbO3, BTO, InP, or polymers. It utilizes only a single, conventional differential driver without any 3D integration and has a standard impedance.
In this demonstration, the modulator is driven by MAOM-025408, MACOM’s newest 400-Gb/s per lane driver. The driver and modulator are flip-chipped together on a printed circuit board, as shown in Fig. 1. The electrical source is a single differential channel from a Keysight M8199B arbitrary waveform generator.

Figure 1. Photos showing the packaged PIC and driver.
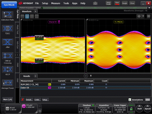
Figure 2 shows 180-Gbaud PAM4 (extinction ratio is 2.3 dB) with no offline processing, Fig. 3 shows the same but with offline processing, and Fig. 4 shows 190-Gbaud PAM4 with offline processing.

Figure 2. 180-Gbaud PAM4, no offline processing. 2.3 dB ER.

Figure 3. 180 Gbaud PAM4, FFE offline processed.

Figure 4. 190 Gbaud, FFE offline processed.
With this demonstration, Aloe continues to pave the way to higher speeds, using silicon photonics technology to create new, application-specific solutions for optical communications.
Visit MACOM’s stand #C3419 on the ECOC 2025 exhibition floor to see a static display, as well as explore MACOM’s 3.2 Terabit SMF Transmit Solutions.
Aloe Semiconductor was founded in 2022 by former Acacia Communications Associate Vice President of Advanced Development Christopher Doerr and is based in New Jersey, USA. Find out more about the company here: https://aloesemi.com/.
About Aloe Semiconductor, Inc.
Aloe Semiconductor, Inc. (Aloe) is a semiconductor design company that provides best-in-class photonic integrated circuits using silicon photonics technology for optical communications.
Founded in 2022, Aloe Semiconductor is creating industry-leading, high performance, application-specific silicon photonics and electronics solutions.